按钮开关,是每个电工几乎最常见到的电气元件之一。我咨询了几个刚入门不久的电工,对按钮开关的印象为:1.需要配合接触器使用,很少单独出现;2.往往用于电动机的控制;3.按钮开关分为启动按钮和停止按钮,外表类似,颜色不同,内部结构不同。
究竟是什么原因使得按钮开关有这些特点呢?今天我们来详细讲解。
按钮开关内部结构按钮开关分为启动开关(绿色按钮),停止按钮(红色按钮)和复合按钮(颜色不一定),其不同的功能是由内部桥式动触头的位置不同决定的。什么是桥式动触头呢?

讲解用图
如上图,其中1是按钮,就是我们上文所说的绿色红色等颜色;2是弹簧,是按钮开关必须配合接触器使用的关键;3就是桥式动触头;4,5是静触头。
2弹簧的特性大家都清楚,最大的特点就是没有外力挤压的时候,会自动复位。这样一来就会发生一种情况——按压1按钮时,会挤压2弹簧,使得3动触头向下移动;松开1按钮时,2弹簧会自动复位,带动3动触头向上移动。这样一来,就出现了启动按钮和停止按钮。
启动按钮
没有4静触头,只有5静触头。这样一来,当2弹簧压缩时,3动触头会与5静触头接触,形成通路;松开后,2弹簧自动复位,3动触头与5静触头断开,形成断路。这种按钮的接线柱,就是5静触头的两侧,共两个接线柱。
这样一来,就有了启动按钮的特性:按下按钮时,电路通电,松开按钮后,电路断电。即不操作时,按钮属于常开状态。启动按钮在电路图中的图形符号如下▼
停止按钮
没有5静触头,只有4静触头。这样一来,当2弹簧压缩时,3动触头会与4静触头分离,形成断路;松开后,2弹簧自动复位,3动触头与4静触头接触,形成通路。这种按钮的接线柱,就是4静触头的两侧,共两个接线柱。
这样一来,就有了停止按钮的特性:按下按钮时,电路断电,松开按钮后,电路通电。即不操作时,按钮属于常闭状态。停止按钮在电路图中的图形符号如下▼
复合按钮
就是所谓的机械互锁,它是把停止按钮和启动按钮结合在一起了,因此叫“复合”。其内部结构与讲解用图完全相同,即4静触头和5静触头同时存在。这样一来,当2弹簧压缩时,3动触头会与4静触头分离,同时与5静触头接触,使4静触头两端的接线柱形成断路,使5静触头两端的接线柱形成通路;松开后反之。
这种按钮在4静触头和5静触头两侧各有两个接线柱,共4个接线柱。在连接时,可以将4个接线柱接入两个回路中,使这两个回路形成机械互锁;亦可从4个接线柱中选择需要的两个接线柱连接,使之成为启动按钮或停止按钮。
复合按钮在电路图中的图形符号如下▼
点动与连动
这就出现了文章开端提出的问题——为什么按钮必须配合接触器使用?
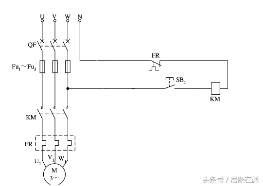
当电路中没有接触器时,启动按钮由于其松开按钮就断电的特性,不能使电路持续供电。这下连停止按钮也省了,控制回路中,仅一个按钮就完成了电动机的点动运行▼
图中,右侧就是控制回路,为了安全起见,在该回路中安装了热继电器FR和接触器线圈KM(相当于一个大电阻,防止短路)。
毕竟,靠点动控制电动机,没有实际意义。为了保证电路的正常运行,设计人员引入了接触器——使接触器的常开触点与启动按钮并联▼
这样一来,当按下启动按钮SB2时,接触器线圈KM会得电。当接触器线圈KM得电时,其内部常开触点会闭合,常闭触点会断开(接触器特性)。此时接触器常开触点KM闭合,因此当SB2松开、断电后,电路中依然可以有持续电流通过。
此时如果想让电动机停止,只需使接触器线圈KM失电即可。因此将停止按钮安装在干路,按下后,即可使线圈断电。