朋友们大家好我是大俵哥,今天我们来看一下点动和自锁的混合控制,这个基础电路应用还是比较广泛的,点动用于调试自锁用于长动控制,今天我们来比较一下电气控制原理图和梯形图有什么异同点。

电机
点动和自锁的混合控制,这个电路常见的接法有三种,我们分别来了解一下。
一,通过两个按钮来控制

原理图
SB1是启动按钮SB3是停止按钮,SB2是点动按钮,按下SB1交流接触器自锁,按下SB3接触器线圈失电。按下SB2交流接线器线圈得电吸合,同时SB2的常闭点断开,切断自锁线,松开SB2接触器线圈失电。因为SB2常开常闭有时间差,所以这种接法效果不太好。
二,利用中间继电器自锁

原理图
按下启动按钮SB2中间继电器KA自锁,KA的常开点闭合交流接触器KM线圈得电吸合,按下SB1交流接触器线圈失电。按下SB3交流接触器KM吸合,松开SB3交流接触器线圈失电。所以SB2是长动控制,SB3是点动控制。
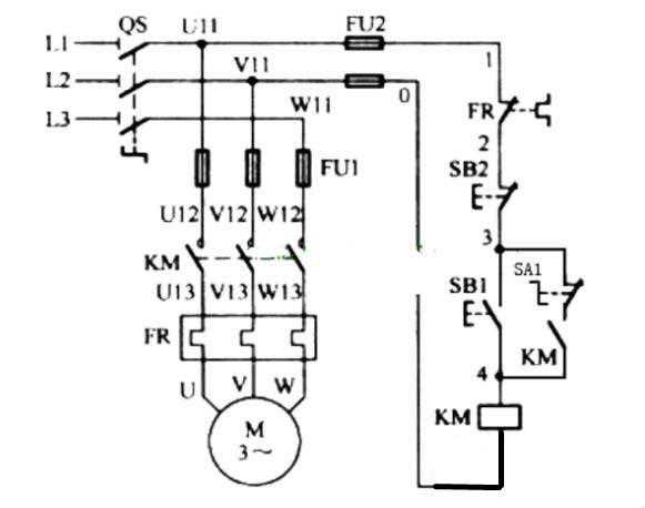
三,自锁线上加转换开关

原理图
这个最好理解,当SA1打到通的位置时,按下SB1交流接触器KM自锁,当SA1打到断开的位置时,SB1则为点动控制。

PLC
用PLC怎么控制呢?一起来看一下梯形图。

梯形图
X1闭合YO线圈得电自锁,X0对应停止按钮,当X2闭合时,Y0线圈得电,同时X2的常闭点断开切断自锁线,所以X2对应点动按钮。
:hover{text-decoration:none;}/*pc样式*/.pgc-card{box-sizing:border-box;height:164px;border:1pxsolide8e8e8;height:120px;position:absolute;right:76px;top:20px;}.pgc-cover{position:absolute;width:162px;height:162px;top:0;left:0;background-size:cover;}.pgc-content{overflow:hidden;position:relative;top:50%;-webkit-transform:translateY(-50%);transform:translateY(-50%);}.pgc-content-title{font-size:18px;color:444;overflow:hidden;text-overflow:ellipsis;padding-top:9px;overflow:hidden;line-height:1.2em;display:-webkit-inline-box;-webkit-line-clamp:2;-webkit-box-orient:vertical;}.pgc-content-price{font-size:22px;color:406599;font-size:14px;text-align:center;}.pgc-buy-text{padding-top:10px;}.pgc-icon-buy{height:23px;width:20px;display:inline-block;background:url();}零基础学习电工2019升级版版100多个实物电路图我是大俵哥
¥88
购买
了解更多实物接线点这里,100多个实物接线图为初学的朋友打开一扇门。